Purpose and Features
The DLT-Y filter adopts a unique patented technology (patent number: ZL 2016 2 0544651.1), which adds a filter fixed guide device, a filter automatic locking mechanism, and a directional rotation system for the cover plate on the basis of the original Y-shaped filter, greatly improving the performance of the product. It is particularly convenient to replace, maintain, and clean the filter element of the filter, and the efficiency improvement is particularly significant. It saves a lot of labor costs and maintenance expenses, reduces replacement and maintenance time, reduces labor intensity and consumption, and improves the service life of the equipment. This filter has the advantages of advanced structure, low resistance, and easy installation and maintenance, and is an essential accessory equipment in pipelines for conveying flow media.
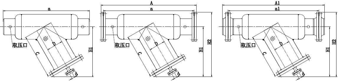
Installation and precautions of DLT-Y filter
- Before installing the filter, it is necessary to ensure that the design pressure and inlet/outlet dimensions of the filter are consistent with the corresponding equipment.
- Before installing the filter, impurities and welding slag in the pipeline connected to it must be cleaned. During installation, it is necessary to ensure that the fluid direction is consistent with the direction of the filter screen.
- Filters can be installed horizontally or vertically, and when installed vertically, the fluid must pass through the filter screen from top to bottom.
- When the pressure difference between the filter screens reaches the set value during use, the filter element must be removed and cleaned before use. Therefore, necessary space (see the drawing for dimensions) should be left during installation to ensure the removal of the filter element.
